16032/W64轴承

更新日期:2025/12/16

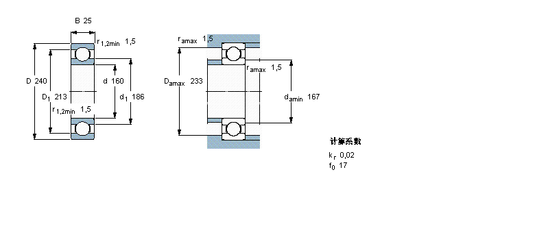
简介: SKF轴承16032/W64 类型为深沟球轴承, 单列, 含Solid Oil, 无密封件, 内径为:160mm外径为:240mm厚度为:25mm 轴承内圈,外圈更多详细资料您可致电我司,获取SKF 16032/W64轴承 配合安装尺寸,基本尺寸,滚子粒数,16032/W64价格,外形尺寸,锥度, 轴承的图纸、样品、价格或者替换产品等!咨询电话:0512-62658883

深沟球轴承, 单列, 含Solid Oil, 无密封件16032/W64轴承 样本图纸

SKF 深沟球轴承, 单列, 含Solid Oil, 无密封件16032/W64样本图片
                   
  深沟球轴承, 单列, 含Solid Oil, 无密封件
                公差 , 参见文字
                径向内部游隙 , 参见文字
                推荐配合
                轴和轴承座公差
  主要数据尺寸 基本负荷额定值 疲劳负荷限值 限制速度 体积 型号
    动态 静态      
  d D B C C0 Pu
  mm kN kN r/min kg -
 1602402599,51083,2514003,7016032/W64

同类型型号

随机推荐型号

Copyright © 2022.恩梯必传动设备(苏州)有限公司