简介: SKF轴承22314E/VA405 类型为球面滚子轴承, 圆柱和圆锥孔, 圆柱型内孔, 用于振动场合, 内径为:70mm外径为:150mm厚度为:51mm 轴承内圈,外圈更多详细资料您可致电我司,获取SKF 22314E/VA405轴承 配合安装尺寸,安装尺寸,重量,额定动负荷,载荷,22314E/VA405极限转速,游隙, 轴承的图纸、样品、价格或者替换产品等!咨询电话:0512-62658883
球面滚子轴承, 圆柱和圆锥孔, 圆柱型内孔, 用于振动场合22314E/VA405轴承 样本图纸
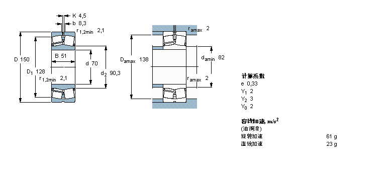
| 球面滚子轴承, 圆柱和圆锥孔, 圆柱型内孔, 用于振动场合 | ||||||||||
| 公差 , 参见文字 | ||||||||||
| 径向内部间隙, 圆柱型内孔 , 圆锥型内孔, 无密封件 , 参见文字 | ||||||||||
| 推荐配合 | ||||||||||
| 轴和轴承座公差 | ||||||||||
|
|
||||||||||
| 主要数据尺寸 | 基本负荷额定值 | 疲劳负荷限值 | 额定速度 | 体积 | 型号 | |||||
| 动态 | 静态 | 参照速度 | 限制速度 | |||||||
| d | D | B | C | C0 | Pu | * - SKF Explorer 轴承 | ||||
|
|
||||||||||
| mm | kN | kN | r/min | kg | - | |||||
|
|
||||||||||
| 70 | 150 | 51 | 400 | 430 | 45 | 3400 | 4500 | 4,55 | 22314 E/VA405 * | |
同类型型号
随机推荐型号