简介: SKF轴承22328CCK/W33+H2328 类型为球面滚子轴承, 带紧定套的, 内径为:125mm外径为:300mm厚度为:102mm 轴承内圈,外圈更多详细资料您可致电我司,获取SKF 22328CCK/W33+H2328轴承 代号,22328CCK/W33+H2328基本尺寸,安装尺寸,基本额定载荷,精度等级,装配, 轴承的图纸、样品、价格或者替换产品等!咨询电话:0512-62658883
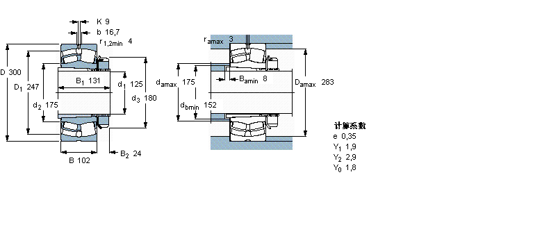
球面滚子轴承, 带紧定套的22328CCK/W33+H2328轴承 样本图纸
| 球面滚子轴承, 带紧定套的 | ||||||||||
| 公差 , 参见文字 | ||||||||||
| 径向内部游隙 , 参见文字 | ||||||||||
| 推荐配合 | ||||||||||
| 轴和轴承座公差 | ||||||||||
|
|
||||||||||
| 主要数据尺寸 | 基本负荷额定值 | 疲劳负荷限值 | 额定速度 | 体积 | 型号 | |||||
| 动态 | 静态 | 参照速度 | 限制速度 | 轴承 + 紧定套 | ||||||
| d1 | D | B | C | C0 | Pu | |||||
| * - SKF Explorer 轴承 | ||||||||||
|
|
||||||||||
| mm | kN | kN | r/min | kg | - | |||||
|
|
||||||||||
| 125 | 300 | 102 | 1290 | 1560 | 132 | 1700 | 2200 | 41,0 | 22328 CCK/W33 + H 2328 * | |
同类型型号
随机推荐型号