简介: SKF轴承240/630ECJ/W33 类型为球面滚子轴承, 圆柱和圆锥孔, 圆柱型内孔, 无密封件, 内径为:630mm外径为:920mm厚度为:290mm 轴承内圈,外圈更多详细资料您可致电我司,获取SKF 240/630ECJ/W33轴承 代号,240/630ECJ/W33基本尺寸,安装尺寸,基本额定载荷,精度等级,装配, 轴承的图纸、样品、价格或者替换产品等!咨询电话:0512-62658883
球面滚子轴承, 圆柱和圆锥孔, 圆柱型内孔, 无密封件240/630ECJ/W33轴承 样本图纸
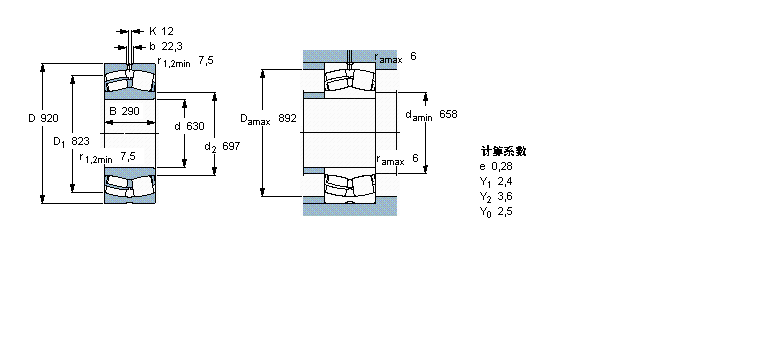
| 球面滚子轴承, 圆柱和圆锥孔, 圆柱型内孔, 无密封件 | ||||||||||
| 公差 , 参见文字 | ||||||||||
| 径向内部间隙, 圆柱型内孔 , 圆锥型内孔, 无密封件 , 参见文字 | ||||||||||
| 推荐配合 | ||||||||||
| 轴和轴承座公差 | ||||||||||
|
|
||||||||||
| 主要数据尺寸 | 基本负荷额定值 | 疲劳负荷限值 | 额定速度 | 体积 | 型号 | |||||
| 动态 | 静态 | 参照速度 | 限制速度 | |||||||
| d | D | B | C | C0 | Pu | * - SKF Explorer 轴承 | ||||
|
|
||||||||||
| mm | kN | kN | r/min | kg | - | |||||
|
|
||||||||||
| 630 | 920 | 290 | 8800 | 18000 | 1140 | 320 | 530 | 645 | 240/630 ECJ/W33 * | |
同类型型号
随机推荐型号