简介: SKF轴承248/1060CAMA/W20 类型为球面滚子轴承, 圆柱和圆锥孔, 圆柱型内孔, 无密封件, 内径为:1060mm外径为:1280mm厚度为:218mm 轴承内圈,外圈更多详细资料您可致电我司,获取SKF 248/1060CAMA/W20轴承 配合安装尺寸,基本尺寸,滚子粒数,248/1060CAMA/W20价格,外形尺寸,锥度, 轴承的图纸、样品、价格或者替换产品等!咨询电话:0512-62658883
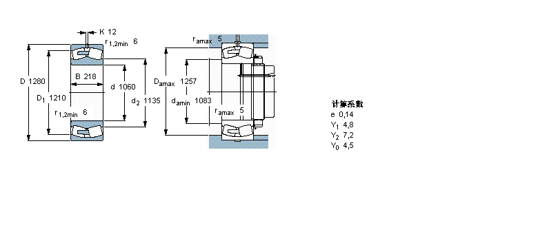
球面滚子轴承, 圆柱和圆锥孔, 圆柱型内孔, 无密封件248/1060CAMA/W20轴承 样本图纸
| 球面滚子轴承, 圆柱和圆锥孔, 圆柱型内孔, 无密封件 | ||||||||||
| 公差 , 参见文字 | ||||||||||
| 径向内部间隙, 圆柱型内孔 , 圆锥型内孔, 无密封件 , 参见文字 | ||||||||||
| 推荐配合 | ||||||||||
| 轴和轴承座公差 | ||||||||||
|
|
||||||||||
| 主要数据尺寸 | 基本负荷额定值 | 疲劳负荷限值 | 额定速度 | 体积 | 型号 | |||||
| 动态 | 静态 | 参照速度 | 限制速度 | |||||||
| d | D | B | C | C0 | Pu | |||||
|
|
||||||||||
| mm | kN | kN | r/min | kg | - | |||||
|
|
||||||||||
| 1060 | 1280 | 218 | 6100 | 20000 | 1200 | 200 | 380 | 570 | 248/1060 CAMA/W20 | |
同类型型号
随机推荐型号