简介: SKF轴承249/750CA/W33 类型为球面滚子轴承, 圆柱和圆锥孔, 圆柱型内孔, 无密封件, 内径为:750mm外径为:1000mm厚度为:250mm 轴承内圈,外圈更多详细资料您可致电我司,获取SKF 249/750CA/W33轴承 游隙尺寸,游隙尺寸表,滚子粒数,249/750CA/W33报价,价格,外形尺寸,锥度, 轴承的图纸、样品、价格或者替换产品等!咨询电话:0512-62658883
球面滚子轴承, 圆柱和圆锥孔, 圆柱型内孔, 无密封件249/750CA/W33轴承 样本图纸
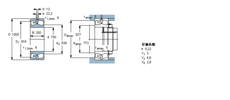
| 球面滚子轴承, 圆柱和圆锥孔, 圆柱型内孔, 无密封件 | ||||||||||
| 公差 , 参见文字 | ||||||||||
| 径向内部间隙, 圆柱型内孔 , 圆锥型内孔, 无密封件 , 参见文字 | ||||||||||
| 推荐配合 | ||||||||||
| 轴和轴承座公差 | ||||||||||
|
|
||||||||||
| 主要数据尺寸 | 基本负荷额定值 | 疲劳负荷限值 | 额定速度 | 体积 | 型号 | |||||
| 动态 | 静态 | 参照速度 | 限制速度 | |||||||
| d | D | B | C | C0 | Pu | |||||
|
|
||||||||||
| mm | kN | kN | r/min | kg | - | |||||
|
|
||||||||||
| 750 | 1000 | 250 | 7650 | 18000 | 1100 | 280 | 480 | 560 | 249/750 CA/W33 | |
同类型型号
随机推荐型号