简介: SKF轴承32234J2/DF 类型为圆锥滚子轴承, 单列,面对面配对, 内径为:170mm外径为:310mm厚度为:182mm 轴承内圈,外圈更多详细资料您可致电我司,获取SKF 32234J2/DF轴承 代号,32234J2/DF基本尺寸,安装尺寸,基本额定载荷,精度等级,装配, 轴承的图纸、样品、价格或者替换产品等!咨询电话:0512-62658883
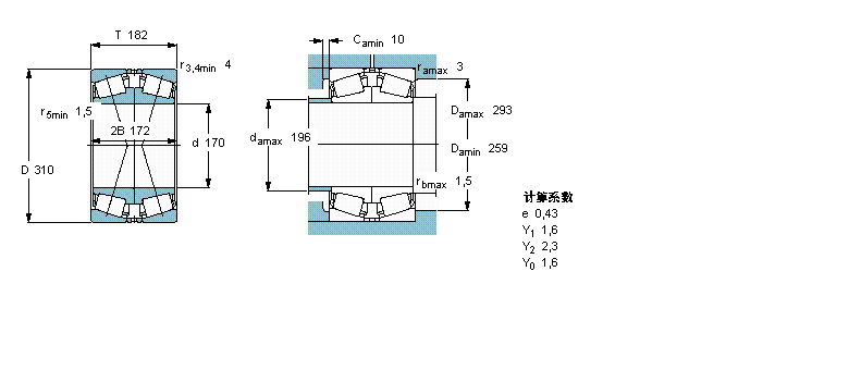
圆锥滚子轴承, 单列,面对面配对32234J2/DF轴承 样本图纸
| 圆锥滚子轴承, 单列,面对面配对 | ||||||||||
| 公差 , 参见文字 | ||||||||||
| 轴向内部间隙, 参见文字 | ||||||||||
| 推荐配合 | ||||||||||
| 轴和轴承座公差 | ||||||||||
|
|
||||||||||
| 主要数据尺寸 | 基本负荷额定值 | 疲劳负荷限值 | 额定速度 | 体积 | 型号 | |||||
| 动态 | 静态 | 参照速度 | 限制速度 | |||||||
| d | D | T | C | C0 | Pu | |||||
|
|
||||||||||
| mm | kN | kN | r/min | kg | - | |||||
|
|
||||||||||
| 170 | 310 | 182 | 1720 | 3250 | 300 | 1200 | 2000 | 59,0 | 32234 J2/DF | |
同类型型号
随机推荐型号