简介: SKF轴承32310BJ2/QCL7C 类型为圆锥滚子轴承, 单列, 公制轴承, 内径为:50mm外径为:110mm厚度为:42.25mm 轴承内圈,外圈更多详细资料您可致电我司,获取SKF 32310BJ2/QCL7C轴承 配合安装尺寸,安装尺寸,重量,额定动负荷,载荷,32310BJ2/QCL7C极限转速,游隙, 轴承的图纸、样品、价格或者替换产品等!咨询电话:0512-62658883
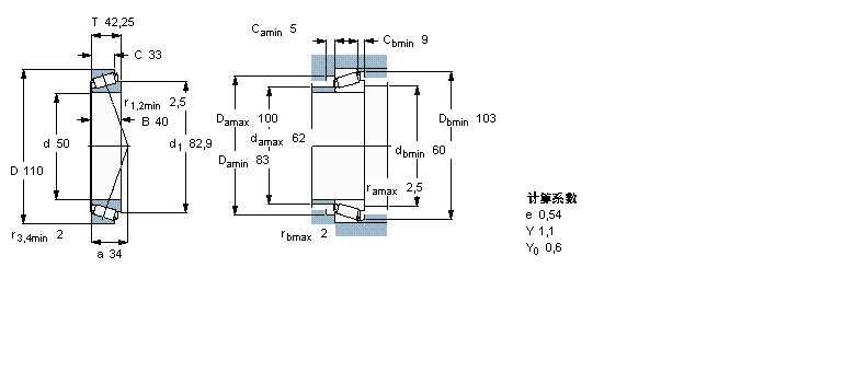
圆锥滚子轴承, 单列, 公制轴承32310BJ2/QCL7C轴承 样本图纸
| 圆锥滚子轴承, 单列, 公制轴承 | ||||||||||
| 公差 , 参见文字 | ||||||||||
| 推荐配合 | ||||||||||
| 轴和轴承座公差 | ||||||||||
|
|
||||||||||
| 主要数据尺寸 | 基本负荷额定值 | 疲劳负荷限值 | 额定速度 | 体积 | 型号 | |||||
| 动态 | 静态 | 参照速度 | 限制速度 | |||||||
| d | D | T | C | C0 | Pu | * - SKF Explorer 轴承 | ||||
|
|
||||||||||
| mm | kN | kN | r/min | kg | - | |||||
|
|
||||||||||
| 50 | 110 | 42,25 | 183 | 216 | 24,5 | 4500 | 6000 | 1,85 | 32310 BJ2/QCL7C * | |
同类型型号
随机推荐型号