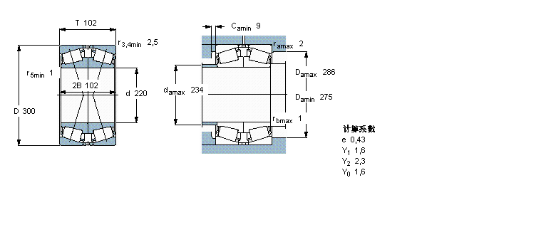
简介: SKF轴承32944/DFC300 类型为圆锥滚子轴承, 单列,面对面配对, 内径为:220mm外径为:300mm厚度为:102mm 轴承内圈,外圈更多详细资料您可致电我司,获取SKF 32944/DFC300轴承 游隙尺寸,游隙尺寸表,滚子粒数,32944/DFC300报价,价格,外形尺寸,锥度, 轴承的图纸、样品、价格或者替换产品等!咨询电话:0512-62658883
圆锥滚子轴承, 单列,面对面配对32944/DFC300轴承 样本图纸
| 圆锥滚子轴承, 单列,面对面配对 | ||||||||||
| 公差 , 参见文字 | ||||||||||
| 轴向内部间隙, 参见文字 | ||||||||||
| 推荐配合 | ||||||||||
| 轴和轴承座公差 | ||||||||||
|
|
||||||||||
| 主要数据尺寸 | 基本负荷额定值 | 疲劳负荷限值 | 额定速度 | 体积 | 型号 | |||||
| 动态 | 静态 | 参照速度 | 限制速度 | |||||||
| d | D | T | C | C0 | Pu | |||||
|
|
||||||||||
| mm | kN | kN | r/min | kg | - | |||||
|
|
||||||||||
| 220 | 300 | 102 | 842 | 2000 | 183 | 1100 | 2000 | 21,0 | 32944/DFC300 | |
同类型型号
随机推荐型号