简介: SKF轴承33011/QDF03C170 类型为圆锥滚子轴承, 单列,面对面配对, 内径为:55mm外径为:90mm厚度为:54mm 轴承内圈,外圈更多详细资料您可致电我司,获取SKF 33011/QDF03C170轴承 游隙尺寸,游隙尺寸表,滚子粒数,33011/QDF03C170报价,价格,外形尺寸,锥度, 轴承的图纸、样品、价格或者替换产品等!咨询电话:0512-62658883
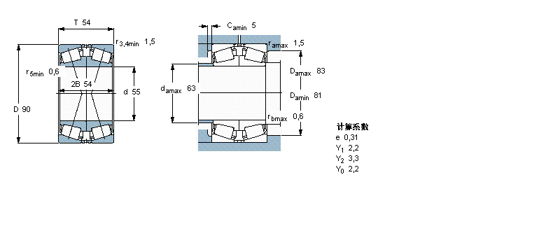
圆锥滚子轴承, 单列,面对面配对33011/QDF03C170轴承 样本图纸
| 圆锥滚子轴承, 单列,面对面配对 | ||||||||||
| 公差 , 参见文字 | ||||||||||
| 轴向内部间隙, 参见文字 | ||||||||||
| 推荐配合 | ||||||||||
| 轴和轴承座公差 | ||||||||||
|
|
||||||||||
| 主要数据尺寸 | 基本负荷额定值 | 疲劳负荷限值 | 额定速度 | 体积 | 型号 | |||||
| 动态 | 静态 | 参照速度 | 限制速度 | |||||||
| d | D | T | C | C0 | Pu | * - SKF Explorer 轴承 | ||||
|
|
||||||||||
| mm | kN | kN | r/min | kg | - | |||||
|
|
||||||||||
| 55 | 90 | 54 | 180 | 270 | 30,5 | 4500 | 7000 | 1,35 | 33011/QDF03C170 * | |
同类型型号
随机推荐型号