3308A-2RS1TN9/MT33轴承

更新日期:2025/12/17

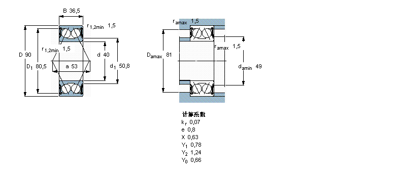
简介: SKF轴承3308A-2RS1TN9/MT33 类型为角接触球轴承, 双列, 两面密封件, 内径为:40mm外径为:90mm厚度为:36.5mm 轴承内圈,外圈更多详细资料您可致电我司,获取SKF 3308A-2RS1TN9/MT33轴承 配合安装尺寸,基本尺寸,滚子粒数,3308A-2RS1TN9/MT33价格,外形尺寸,锥度, 轴承的图纸、样品、价格或者替换产品等!咨询电话:0512-62658883

角接触球轴承, 双列, 两面密封件3308A-2RS1TN9/MT33轴承 样本图纸

SKF 角接触球轴承, 双列, 两面密封件3308A-2RS1TN9/MT33样本图片
                     
  角接触球轴承, 双列, 两面密封件
                    公差 , 参见文字
                    轴向内部间隙, a), b), 参见文字
                    推荐配合
                    轴和轴承座公差
  主要数据尺寸 基本负荷额定值 疲劳负荷限值 额定速度 体积 型号
    动态 静态   参照速度 限制速度
  d D B C C0 Pu * - SKF Explorer 轴承
  mm kN kN r/min kg -
 409036,564441,86-50000,933308 A-2RS1TN9/MT33 *

同类型型号

随机推荐型号

Copyright © 2022.恩梯必传动设备(苏州)有限公司