简介: SKF轴承510/900M 类型为推力球轴承, 单向, 内径为:900mm外径为:980mm厚度为:63mm 轴承内圈,外圈更多详细资料您可致电我司,获取SKF 510/900M轴承 游隙尺寸,游隙尺寸表,滚子粒数,510/900M报价,价格,外形尺寸,锥度, 轴承的图纸、样品、价格或者替换产品等!咨询电话:0512-62658883
推力球轴承, 单向510/900M轴承 样本图纸
| 推力球轴承, 单向 | |||||||||||
| 公差 , 参见文字 | |||||||||||
| 推荐配合 | |||||||||||
| 轴和轴承座公差 | |||||||||||
|
|
|||||||||||
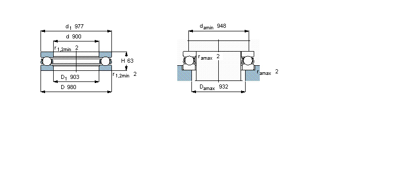
| 主要数据尺寸 | 基本负荷额定值 | 疲劳负荷限值 | 最小负荷系数 | 额定速度 | 体积 | 型号 | |||||
| 动态 | 静态 | 参照速度 | 限制速度 | ||||||||
| d | D | H | C | C0 | Pu | A | |||||
|
|
|||||||||||
| mm | kN | kN | - | r/min | kg | - | |||||
|
|
|||||||||||
| 900 | 980 | 63 | 527 | 4900 | 58,5 | 120 | 480 | 670 | 49,0 | 510/900 M | |
同类型型号
随机推荐型号