51101V/HR22T2轴承

更新日期:2025/12/18

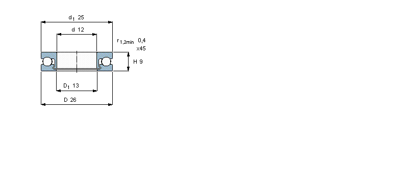
简介: SKF轴承51101V/HR22T2 类型为聚合物球轴承,推力球轴承, PP/PP/stainless steel/PP, 内径为:12mm外径为:26mm厚度为:9mm 轴承内圈,外圈更多详细资料您可致电我司,获取SKF 51101V/HR22T2轴承 配合安装尺寸,安装尺寸,重量,额定动负荷,载荷,51101V/HR22T2极限转速,游隙, 轴承的图纸、样品、价格或者替换产品等!咨询电话:0512-62658883

聚合物球轴承,推力球轴承, PP/PP/stainless steel/PP51101V/HR22T2轴承 样本图纸

SKF 聚合物球轴承,推力球轴承, PP/PP/stainless steel/PP51101V/HR22T2样本图片
                 
  聚合物球轴承,推力球轴承, PP/PP/stainless steel/PP
 
  主要数据尺寸 负荷能力 额定速度 体积 型号
   
  d D B 动态 1) 静态 2) 最大 3) 最大 -
        1) above 50 °C and/or above 20 % 3) Consider load carrying    
        of max speed rating consider capability reduction according    
        reduction according to diagram to diagram    
        2) above 50 °C consider      
        reduction according to diagram      
 
  mm kN r/min kg -
 
 122690,350,285000,004351101 V/HR22T2

同类型型号

随机推荐型号

Copyright © 2022.恩梯必传动设备(苏州)有限公司