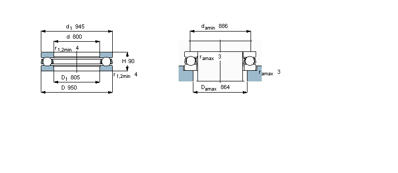
简介: SKF轴承591/800M 类型为推力球轴承, 单向, 内径为:800mm外径为:950mm厚度为:90mm 轴承内圈,外圈更多详细资料您可致电我司,获取SKF 591/800M轴承 配合安装尺寸,安装尺寸,重量,额定动负荷,载荷,591/800M极限转速,游隙, 轴承的图纸、样品、价格或者替换产品等!咨询电话:0512-62658883
推力球轴承, 单向591/800M轴承 样本图纸
| 推力球轴承, 单向 | |||||||||||
| 公差 , 参见文字 | |||||||||||
| 推荐配合 | |||||||||||
| 轴和轴承座公差 | |||||||||||
|
|
|||||||||||
| 主要数据尺寸 | 基本负荷额定值 | 疲劳负荷限值 | 最小负荷系数 | 额定速度 | 体积 | 型号 | |||||
| 动态 | 静态 | 参照速度 | 限制速度 | ||||||||
| d | D | H | C | C0 | Pu | A | |||||
|
|
|||||||||||
| mm | kN | kN | - | r/min | kg | - | |||||
|
|
|||||||||||
| 800 | 950 | 90 | 761 | 6550 | 83 | 220 | 400 | 560 | 110 | 591/800 M | |
同类型型号
随机推荐型号