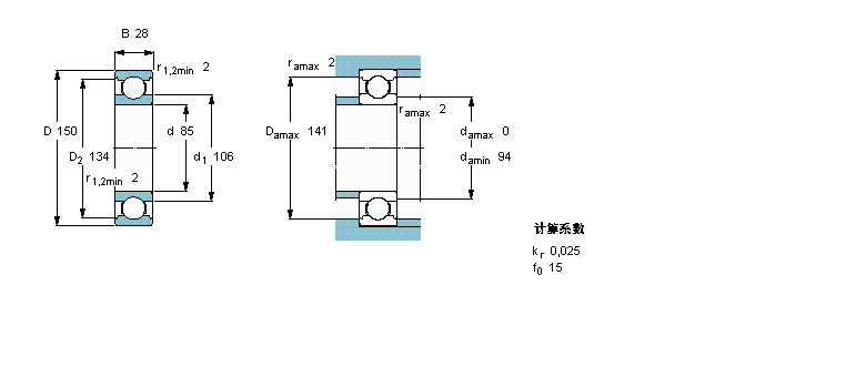
简介: SKF轴承6217/W64 类型为深沟球轴承, 单列, 含Solid Oil, 无密封件, 内径为:85mm外径为:150mm厚度为:28mm 轴承内圈,外圈更多详细资料您可致电我司,获取SKF 6217/W64轴承 游隙尺寸,游隙尺寸表,滚子粒数,6217/W64报价,价格,外形尺寸,锥度, 轴承的图纸、样品、价格或者替换产品等!咨询电话:0512-62658883
深沟球轴承, 单列, 含Solid Oil, 无密封件6217/W64轴承 样本图纸
| 深沟球轴承, 单列, 含Solid Oil, 无密封件 | |||||||||
| 公差 , 参见文字 | |||||||||
| 径向内部游隙 , 参见文字 | |||||||||
| 推荐配合 | |||||||||
| 轴和轴承座公差 | |||||||||
|
|
|||||||||
| 主要数据尺寸 | 基本负荷额定值 | 疲劳负荷限值 | 限制速度 | 体积 | 型号 | ||||
| 动态 | 静态 | ||||||||
| d | D | B | C | C0 | Pu | * - SKF Explorer 轴承 | |||
|
|
|||||||||
| mm | kN | kN | r/min | kg | - | ||||
|
|
|||||||||
| 85 | 150 | 28 | 87,1 | 64 | 2,5 | 2400 | 1,80 | 6217/W64 * | |
同类型型号
随机推荐型号