6311/VA201轴承

更新日期:2025/12/18

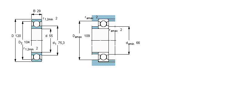
简介: SKF轴承6311/VA201 类型为深沟球轴承, 用于高温的深沟球轴承, 无密封件, 内径为:55mm外径为:120mm厚度为:29mm 轴承内圈,外圈更多详细资料您可致电我司,获取SKF 6311/VA201轴承 游隙尺寸,游隙尺寸表,滚子粒数,6311/VA201报价,价格,外形尺寸,锥度, 轴承的图纸、样品、价格或者替换产品等!咨询电话:0512-62658883

深沟球轴承, 用于高温的深沟球轴承, 无密封件6311/VA201轴承 样本图纸

SKF 深沟球轴承, 用于高温的深沟球轴承, 无密封件6311/VA201样本图片
                 
  深沟球轴承, 用于高温的深沟球轴承, 无密封件
                公差 , 参见文字
                径向内部间隙, 参见文字
                推荐配合
                轴和轴承座公差
  主要数据尺寸 基本负荷额定值 径向内部游隙 体积 型号
    静态  
  d D B C0 最小 最大
  mm kN μm kg -
 5512029452203601,356311/VA201

同类型型号

随机推荐型号

Copyright © 2022.恩梯必传动设备(苏州)有限公司