简介: SKF轴承891/1120M 类型为圆柱滚子推力轴承, 轴承 / 圆柱滚子和保持架止推组件, 内径为:1120mm外径为:1320mm厚度为:122mm 轴承内圈,外圈更多详细资料您可致电我司,获取SKF 891/1120M轴承 配合安装尺寸,基本尺寸,滚子粒数,891/1120M价格,外形尺寸,锥度, 轴承的图纸、样品、价格或者替换产品等!咨询电话:0512-62658883
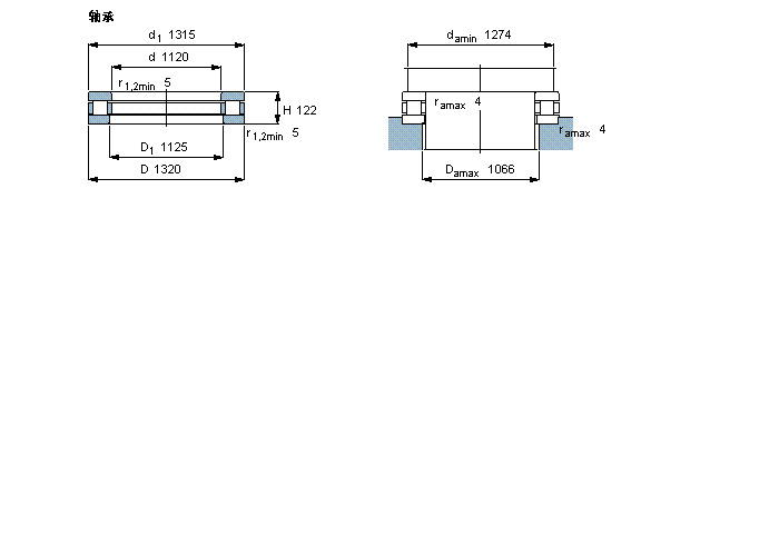
圆柱滚子推力轴承, 轴承 / 圆柱滚子和保持架止推组件891/1120M轴承 样本图纸
| 圆柱滚子推力轴承, 轴承 / 圆柱滚子和保持架止推组件 | ||||||||||||
| 公差 , 参见文字 | ||||||||||||
| 推荐配合 | ||||||||||||
| 轴和轴承座公差 | ||||||||||||
|
|
||||||||||||
| 主要数据尺寸 | 基本负荷额定值 | 疲劳负荷限值 | 最小负荷系数 | 额定速度 | 体积 | 型号 | ||||||
| 动态 | 静态 | 参照速度 | 限制速度 | 轴承 | 圆柱滚子和保持架止推组件 | |||||||
| d | D | H | C | C0 | Pu | A | ||||||
|
|
||||||||||||
| mm | kN | kN | - | r/min | kg | - | ||||||
|
|
||||||||||||
| 1120 | 1320 | 122 | 4900 | 36500 | 1900 | 110 | 130 | 260 | 305 | 891/1120 M | - | |
同类型型号
随机推荐型号