FBSA212A/QFC轴承

更新日期:2025/12/17

简介: SKF轴承FBSA212A/QFC 类型为角接触推力球轴承 for screw drives, cartridge units with flanged housing, 内径为:60mm外径为:145mm厚度为:114mm 轴承内圈,外圈更多详细资料您可致电我司,获取SKF FBSA212A/QFC轴承 配合安装尺寸,基本尺寸,滚子粒数,FBSA212A/QFC价格,外形尺寸,锥度, 轴承的图纸、样品、价格或者替换产品等!咨询电话:0512-62658883

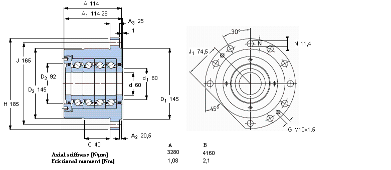
角接触推力球轴承 for screw drives, cartridge units with flanged housingFBSA212A/QFC轴承 样本图纸

SKF 角接触推力球轴承 for screw drives, cartridge units with flanged housingFBSA212A/QFC样本图片
                       
  角接触推力球轴承 for screw drives, cartridge units with flanged housing  
                公差, inner rings, outer rings, see also text
                Preload, see specific bearing, see also text
                Shaft fits, housing fits
                轴和轴承座公差
  主要数据尺寸 基本负荷额定值 疲劳负荷限值 可达到的速度 体积 型号
    动态 静态   预压   SKF SNFA
      A B    
  d D2 A C C0 Pu    
  mm kN kN r/min   kg -
 60145114113,285432162500125012,3FBSA 212 A/ QFCBSQU 260/1 TFT

同类型型号

随机推荐型号

Copyright © 2022.恩梯必传动设备(苏州)有限公司