简介: SKF轴承FYRP3.1/2H-18 类型为带法兰的滚子轴承单元, 锁定套和插口,用于英制的轴, locating units, labyrinth seals, 轴承内圈,外圈更多详细资料您可致电我司,获取SKF FYRP3.1/2H-18轴承 代号,FYRP3.1/2H-18基本尺寸,安装尺寸,基本额定载荷,精度等级,装配, 轴承的图纸、样品、价格或者替换产品等!咨询电话:0512-62658883
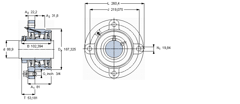
带法兰的滚子轴承单元, 锁定套和插口,用于英制的轴, locating units, labyrinth sealsFYRP3.1/2H-18轴承 样本图纸
| 带法兰的滚子轴承单元, 锁定套和插口,用于英制的轴, locating units, labyrinth seals | |||||||||||
|   | |||||||||||
| 尺寸 | 尺寸 [英寸] | 限制速度 | 质量 | 型号 | 轴承,基本型号 | ||||||
| 动态 | 静态 | ||||||||||
| da | A1 | J | L | T | C | C0 | |||||
|   | |||||||||||
| mm | kN | r/min | kg | - | - | ||||||
|   | |||||||||||
| 88,9 | 81 | 219,075 | 260,4 | 53,181 | 253 | 340 | 2600 | 13,2 | FYRP 3.1/2 H-18 | 22218 | |
同类型型号
随机推荐型号