简介: SKF轴承FYRP3.11/16H 类型为带法兰的滚子轴承单元, 锁定套和插口,用于英制的轴, locating units, general conditions (double-lip seals), 轴承内圈,外圈更多详细资料您可致电我司,获取SKF FYRP3.11/16H轴承 配合安装尺寸,基本尺寸,滚子粒数,FYRP3.11/16H价格,外形尺寸,锥度, 轴承的图纸、样品、价格或者替换产品等!咨询电话:0512-62658883
带法兰的滚子轴承单元, 锁定套和插口,用于英制的轴, locating units, general conditions (double-lip seals)FYRP3.11/16H轴承 样本图纸
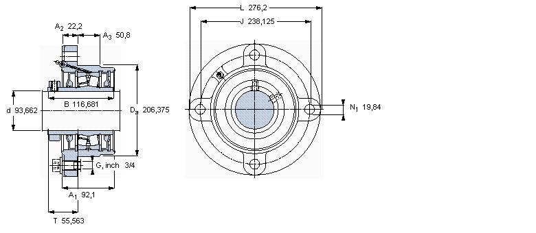
| 带法兰的滚子轴承单元, 锁定套和插口,用于英制的轴, locating units, general conditions (double-lip seals) | |||||||||||
|   | |||||||||||
| 尺寸 | 尺寸 [英寸] | 限制速度 | 质量 | 型号 | 轴承,基本型号 | ||||||
| 动态 | 静态 | ||||||||||
| da | A1 | J | L | T | C | C0 | |||||
|   | |||||||||||
| mm | kN | r/min | kg | - | - | ||||||
|   | |||||||||||
| 93,662 | 92,1 | 238,125 | 276,2 | 55,563 | 311 | 415 | 1200 | 18,6 | FYRP 3.11/16 H | 22220 | |
同类型型号
随机推荐型号