简介: SKF轴承L183448/410 类型为圆锥滚子轴承, 单列, 英制轴承, 内径为:760mm外径为:889mm厚度为:88.9mm 轴承内圈,外圈更多详细资料您可致电我司,获取SKF L183448/410轴承 代号,L183448/410基本尺寸,安装尺寸,基本额定载荷,精度等级,装配, 轴承的图纸、样品、价格或者替换产品等!咨询电话:0512-62658883
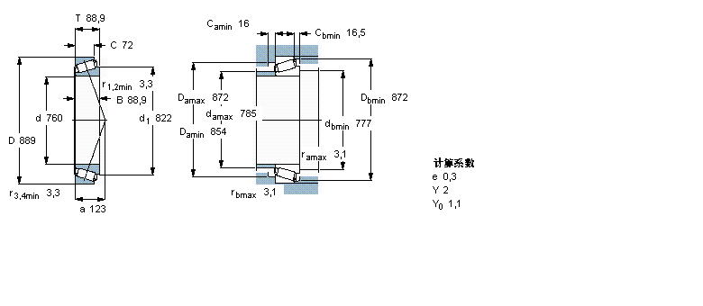
圆锥滚子轴承, 单列, 英制轴承L183448/410轴承 样本图纸
| 圆锥滚子轴承, 单列, 英制轴承 | ||||||||||
| 公差 , 参见文字 | ||||||||||
| 推荐配合 | ||||||||||
| 轴和轴承座公差 | ||||||||||
|
|
||||||||||
| 主要数据尺寸 | 基本负荷额定值 | 疲劳负荷限值 | 额定速度 | 体积 | 型号 | |||||
| 动态 | 静态 | 参照速度 | 限制速度 | |||||||
| d | D | T | C | C0 | Pu | |||||
|
|
||||||||||
| mm | kN | kN | r/min | kg | - | |||||
|
|
||||||||||
| 760 | 889 | 88,9 | 1870 | 5850 | 380 | 360 | 530 | 94,0 | L 183448/410 | |
同类型型号
随机推荐型号