简介: SKF轴承MS31/1000 类型为MS锁定夹, 内径为:70mm外径为:21mm厚度为:88mm 轴承内圈,外圈更多详细资料您可致电我司,获取SKF MS31/1000轴承 代号,MS31/1000基本尺寸,安装尺寸,基本额定载荷,精度等级,装配, 轴承的图纸、样品、价格或者替换产品等!咨询电话:0512-62658883
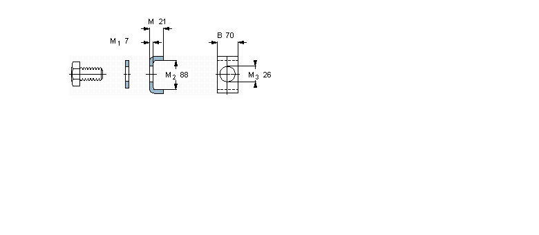
MS锁定夹MS31/1000轴承 样本图纸
| MS锁定夹 | |||||||||
|
|
|||||||||
| 尺寸 | 体积 | 型号 | |||||||
| 锁紧垫圈 | 适宜的部件 | 适宜的锁定螺母 | |||||||
| 六角有头螺钉 | 弹簧垫圈符合 | 型号 | |||||||
| B | M | M2 | DIN 128标准 | ||||||
|
|
|||||||||
| mm | kg | - | - | - | |||||
|
|
|||||||||
| 70 | 21 | 88 | 0,45 | MS 31/1000 | M 24x50 | A 24 | HM 31/1000 | HM 31/1060 | |
同类型型号
随机推荐型号