简介: SKF轴承NU29/710ECMA/HA1 类型为圆柱滚子轴承, 单列, NU 设计, 内径为:710mm外径为:950mm厚度为:140mm 轴承内圈,外圈更多详细资料您可致电我司,获取SKF NU29/710ECMA/HA1轴承 配合安装尺寸,基本尺寸,滚子粒数,NU29/710ECMA/HA1价格,外形尺寸,锥度, 轴承的图纸、样品、价格或者替换产品等!咨询电话:0512-62658883
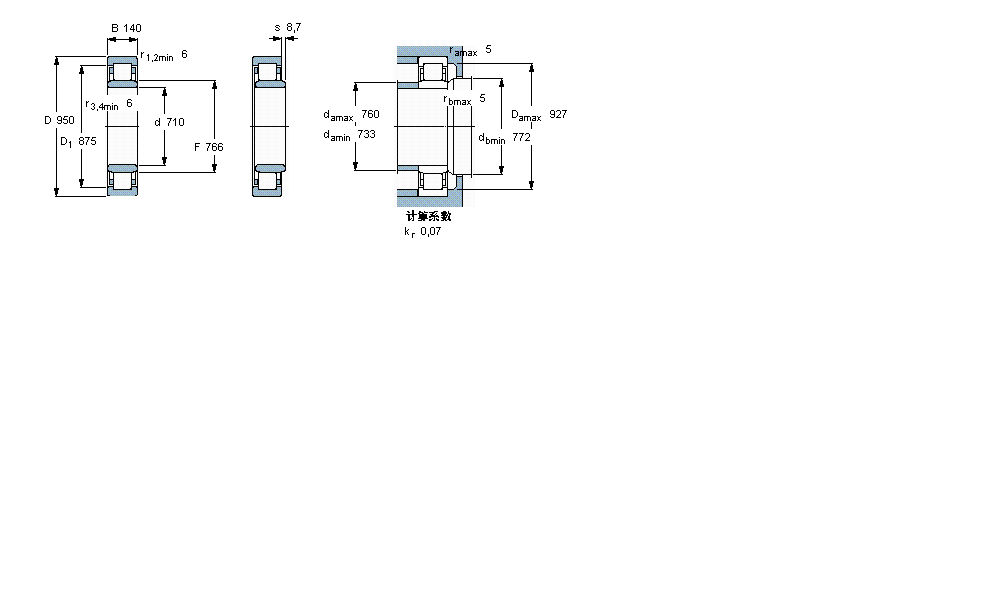
圆柱滚子轴承, 单列, NU 设计NU29/710ECMA/HA1轴承 样本图纸
| 圆柱滚子轴承, 单列, NU 设计 | ||||||||||||
| 公差 , 参见文字 | ||||||||||||
| 径向内部间隙, 圆柱型内孔 , 圆锥型内孔, 无密封件 , 参见文字 | ||||||||||||
| 推荐配合 | ||||||||||||
| 轴和轴承座公差 | ||||||||||||
|
|
||||||||||||
| 主要数据尺寸 | 基本负荷额定值 | 疲劳负荷限值 | 额定速度 | 体积 | 型号 | 适宜的斜挡圈 | ||||||
| 动态 | 静态 | 参照速度 | 限制速度 | 型号 | ||||||||
| d | D | B | C | C0 | Pu | |||||||
|
|
||||||||||||
| mm | kN | kN | r/min | kg | - | - | ||||||
|
|
||||||||||||
| 710 | 950 | 140 | 3740 | 8300 | 570 | 600 | 800 | 295 | NU 29/710 ECMA/HA1 | - | ||
同类型型号
随机推荐型号