简介: SKF轴承OH30/1060H 类型为紧定套, 轴承内圈,外圈更多详细资料您可致电我司,获取SKF OH30/1060H轴承 代号,OH30/1060H基本尺寸,安装尺寸,基本额定载荷,精度等级,装配, 轴承的图纸、样品、价格或者替换产品等!咨询电话:0512-62658883
紧定套OH30/1060H轴承 样本图纸
| 紧定套 | ||||||||||
|
|
||||||||||
| 尺寸 | 体积 | 型号 | ||||||||
| 紧定轴套带螺母 | 锁定螺母 | 锁定装置 | 适宜的液压 | |||||||
| d1 | d | d3 | B1 | G | 和锁紧装置 | 螺母 | ||||
|
|
||||||||||
| mm | kg | - | ||||||||
|
|
||||||||||
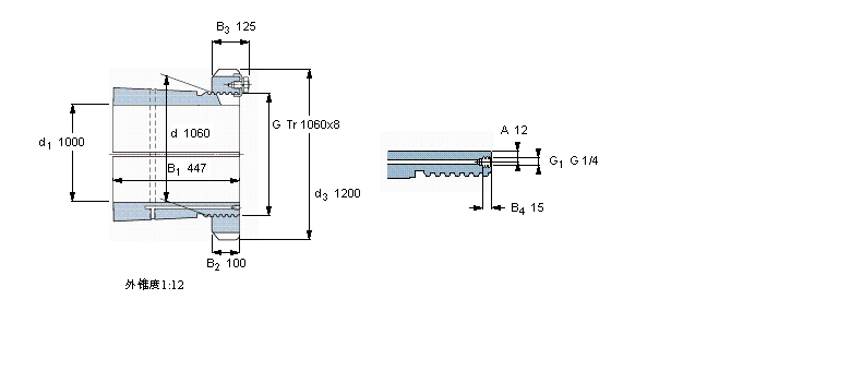
| 1000 | 1060 | 1200 | 447 | Tr 1060x8 | 571 | OH 30/1060 H | HM 30/1060 | MS 30/1000 | HMV 212 E | |
同类型型号
随机推荐型号