简介: SKF轴承1303ETN9 类型为自调心球轴承, 圆柱孔和圆锥孔, 圆柱型内孔, 无密封件, 内径为:17mm外径为:47mm厚度为:14mm 轴承内圈,外圈更多详细资料您可致电我司,获取SKF 1303ETN9轴承 配合安装尺寸,安装尺寸,重量,额定动负荷,载荷,1303ETN9极限转速,游隙, 轴承的图纸、样品、价格或者替换产品等!咨询电话:0512-62658883
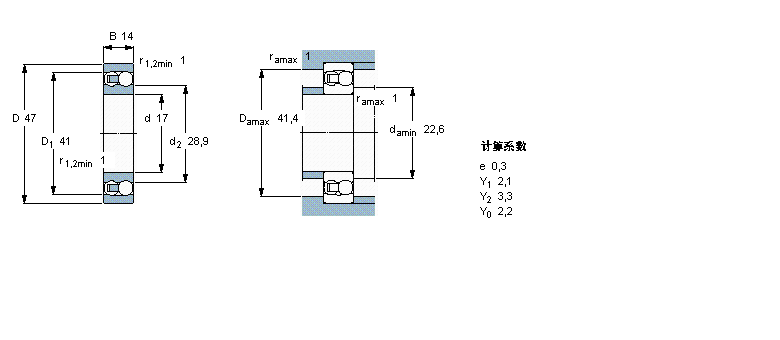
自调心球轴承, 圆柱孔和圆锥孔, 圆柱型内孔, 无密封件1303ETN9轴承 样本图纸
| 自调心球轴承, 圆柱孔和圆锥孔, 圆柱型内孔, 无密封件 | ||||||||||
| 公差 , 参见文字 | ||||||||||
| 径向内部游隙 , 参见文字 | ||||||||||
| 推荐配合 | ||||||||||
| 轴和轴承座公差 | ||||||||||
|
|
||||||||||
| 主要数据尺寸 | 基本负荷额定值 | 疲劳负荷限值 | 额定速度 | 体积 | 型号 | |||||
| 动态 | 静态 | 参照速度 | 限制速度 | |||||||
| d | D | B | C | C0 | Pu | |||||
|
|
||||||||||
| mm | kN | kN | r/min | kg | - | |||||
|
|
||||||||||
| 17 | 47 | 14 | 12,7 | 3,4 | 0,18 | 28000 | 20000 | 0,12 | 1303 ETN9 | |
同类型型号
随机推荐型号