简介: SKF轴承2210ETN9 类型为自调心球轴承, 圆柱孔和圆锥孔, 圆柱型内孔, 无密封件, 内径为:50mm外径为:90mm厚度为:23mm 轴承内圈,外圈更多详细资料您可致电我司,获取SKF 2210ETN9轴承 配合安装尺寸,安装尺寸,重量,额定动负荷,载荷,2210ETN9极限转速,游隙, 轴承的图纸、样品、价格或者替换产品等!咨询电话:0512-62658883
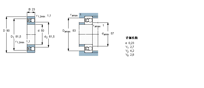
自调心球轴承, 圆柱孔和圆锥孔, 圆柱型内孔, 无密封件2210ETN9轴承 样本图纸
| 自调心球轴承, 圆柱孔和圆锥孔, 圆柱型内孔, 无密封件 | ||||||||||
| 公差 , 参见文字 | ||||||||||
| 径向内部游隙 , 参见文字 | ||||||||||
| 推荐配合 | ||||||||||
| 轴和轴承座公差 | ||||||||||
|
|
||||||||||
| 主要数据尺寸 | 基本负荷额定值 | 疲劳负荷限值 | 额定速度 | 体积 | 型号 | |||||
| 动态 | 静态 | 参照速度 | 限制速度 | |||||||
| d | D | B | C | C0 | Pu | |||||
|
|
||||||||||
| mm | kN | kN | r/min | kg | - | |||||
|
|
||||||||||
| 50 | 90 | 23 | 33,8 | 11,2 | 0,57 | 14000 | 9500 | 0,60 | 2210 ETN9 | |
同类型型号
随机推荐型号