简介: SKF轴承22206EK+H306 类型为球面滚子轴承, 带紧定套的, 内径为:25mm外径为:62mm厚度为:20mm 轴承内圈,外圈更多详细资料您可致电我司,获取SKF 22206EK+H306轴承 配合安装尺寸,基本尺寸,滚子粒数,22206EK+H306价格,外形尺寸,锥度, 轴承的图纸、样品、价格或者替换产品等!咨询电话:0512-62658883
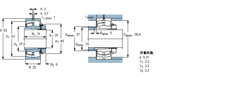
球面滚子轴承, 带紧定套的22206EK+H306轴承 样本图纸
| 球面滚子轴承, 带紧定套的 | ||||||||||
| 公差 , 参见文字 | ||||||||||
| 径向内部游隙 , 参见文字 | ||||||||||
| 推荐配合 | ||||||||||
| 轴和轴承座公差 | ||||||||||
|   | ||||||||||
| 主要数据尺寸 | 基本负荷额定值 | 疲劳负荷限值 | 额定速度 | 体积 | 型号 | |||||
| 动态 | 静态 | 参照速度 | 限制速度 | 轴承 + 紧定套 | ||||||
| d1 | D | B | C | C0 | Pu | |||||
| * - SKF Explorer 轴承 | ||||||||||
|   | ||||||||||
| mm | kN | kN | r/min | kg | - | |||||
|   | ||||||||||
| 25 | 62 | 20 | 64 | 60 | 6,4 | 10000 | 14000 | 0,39 | 22206 EK + H 306 * | |
同类型型号
随机推荐型号