30326T142J2/DB11C150轴承

更新日期:2025/12/14

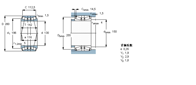
简介: SKF轴承30326T142J2/DB11C150 类型为圆锥滚子轴承, 单列,背对背配对, 内径为:130mm外径为:280mm厚度为:142mm 轴承内圈,外圈更多详细资料您可致电我司,获取SKF 30326T142J2/DB11C150轴承 代号,30326T142J2/DB11C150基本尺寸,安装尺寸,基本额定载荷,精度等级,装配, 轴承的图纸、样品、价格或者替换产品等!咨询电话:0512-62658883

圆锥滚子轴承, 单列,背对背配对30326T142J2/DB11C150轴承 样本图纸

SKF 圆锥滚子轴承, 单列,背对背配对30326T142J2/DB11C150样本图片
                     
  圆锥滚子轴承, 单列,背对背配对
                    公差 , 参见文字
                    轴向内部间隙, 参见文字
                    推荐配合
                    轴和轴承座公差
  主要数据尺寸 基本负荷额定值 疲劳负荷限值 额定速度 体积 型号
    动态 静态   参照速度 限制速度
  d D B C C0 Pu
  mm kN kN r/min kg -
 130280142108016001661400240036,530326T142 J2/DB11C150

同类型型号

随机推荐型号

Copyright © 2022.恩梯必传动设备(苏州)有限公司