简介: SKF轴承BT2B332752 类型为圆锥滚子轴承, 单列,面对面配对, 内径为:415.925mm外径为:590.55mm厚度为:228.6mm 轴承内圈,外圈更多详细资料您可致电我司,获取SKF BT2B332752轴承 配合安装尺寸,安装尺寸,重量,额定动负荷,载荷,BT2B332752极限转速,游隙, 轴承的图纸、样品、价格或者替换产品等!咨询电话:0512-62658883
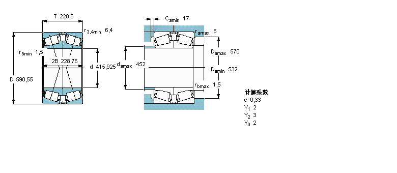
圆锥滚子轴承, 单列,面对面配对BT2B332752轴承 样本图纸
| 圆锥滚子轴承, 单列,面对面配对 | ||||||||||
| 公差 , 参见文字 | ||||||||||
| 轴向内部间隙, 参见文字 | ||||||||||
| 推荐配合 | ||||||||||
| 轴和轴承座公差 | ||||||||||
|   | ||||||||||
| 主要数据尺寸 | 基本负荷额定值 | 疲劳负荷限值 | 额定速度 | 体积 | 型号 | |||||
| 动态 | 静态 | 参照速度 | 限制速度 | |||||||
| d | D | T | C | C0 | Pu | |||||
|   | ||||||||||
| mm | kN | kN | r/min | kg | - | |||||
|   | ||||||||||
| 415,925 | 590,55 | 228,6 | 3580 | 9650 | 735 | 560 | 1000 | 205 | BT2B 332752 | |
同类型型号
随机推荐型号