简介: SKF轴承3309ATN9 类型为角接触球轴承, 双列, 无密封件, 内径为:45mm外径为:100mm厚度为:39.7mm 轴承内圈,外圈更多详细资料您可致电我司,获取SKF 3309ATN9轴承 代号,3309ATN9基本尺寸,安装尺寸,基本额定载荷,精度等级,装配, 轴承的图纸、样品、价格或者替换产品等!咨询电话:0512-62658883
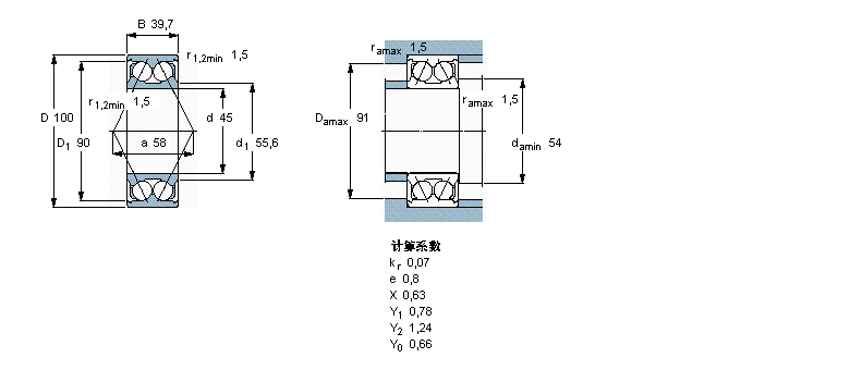
角接触球轴承, 双列, 无密封件3309ATN9轴承 样本图纸
| 角接触球轴承, 双列, 无密封件 | ||||||||||
| 公差 , 参见文字 | ||||||||||
| 轴向内部间隙, a), b), 参见文字 | ||||||||||
| 推荐配合 | ||||||||||
| 轴和轴承座公差 | ||||||||||
|
|
||||||||||
| 主要数据尺寸 | 基本负荷额定值 | 疲劳负荷限值 | 额定速度 | 体积 | 型号 | |||||
| 动态 | 静态 | 参照速度 | 限制速度 | |||||||
| d | D | B | C | C0 | Pu | * - SKF Explorer 轴承 | ||||
|
|
||||||||||
| mm | kN | kN | r/min | kg | - | |||||
|
|
||||||||||
| 45 | 100 | 39,7 | 75 | 53 | 2,24 | 6700 | 6700 | 1,40 | 3309 ATN9 * | |
同类型型号
随机推荐型号