简介: SKF轴承351468A 类型为圆锥滚子推力轴承, 单向, 内径为:347.5mm外径为:710mm厚度为:710mm 轴承内圈,外圈更多详细资料您可致电我司,获取SKF 351468A轴承 配合安装尺寸,安装尺寸,重量,额定动负荷,载荷,351468A极限转速,游隙, 轴承的图纸、样品、价格或者替换产品等!咨询电话:0512-62658883
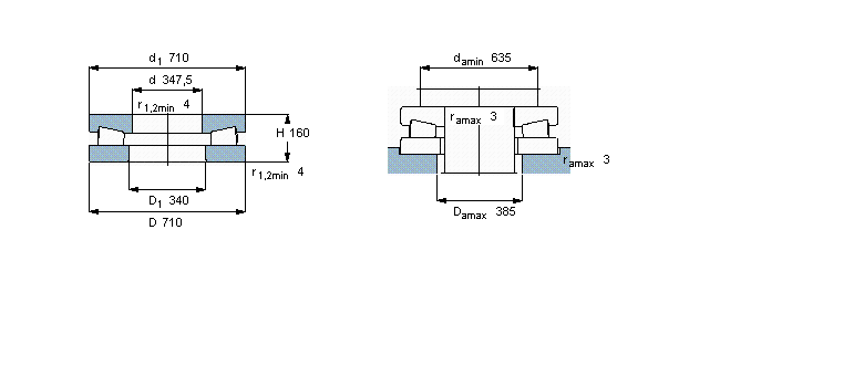
圆锥滚子推力轴承, 单向351468A轴承 样本图纸
| 圆锥滚子推力轴承, 单向 | ||||||||||
| 公差 , 参见文字 | ||||||||||
| 推荐配合 | ||||||||||
| 轴和轴承座公差 | ||||||||||
|
|
||||||||||
| 主要数据尺寸 | 基本负荷额定值 | 疲劳负荷限值 | 最小负荷系数 | 体积 | 型号 | |||||
| 动态 | 静态 | |||||||||
| d | D | d1 | H | C | C0 | Pu | A | |||
|
|
||||||||||
| mm | kN | kN | - | kg | - | |||||
|
|
||||||||||
| 347,5 | 710 | 710 | 160 | 7810 | 40000 | 2280 | 130 | 345 | 351468 A | |
同类型型号
随机推荐型号