简介: SKF轴承53202 类型为推力球轴承, 单向,带球面轴承座垫圈, 轴承内圈,外圈更多详细资料您可致电我司,获取SKF 53202轴承 代号,53202基本尺寸,安装尺寸,基本额定载荷,精度等级,装配, 轴承的图纸、样品、价格或者替换产品等!咨询电话:0512-62658883
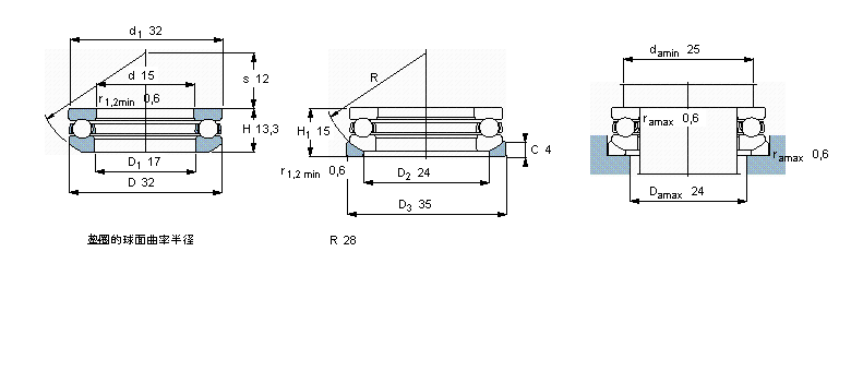
推力球轴承, 单向,带球面轴承座垫圈53202轴承 样本图纸
| 推力球轴承, 单向,带球面轴承座垫圈 | ||||||||||||
| 公差 , 参见文字 | ||||||||||||
| 推荐配合 | ||||||||||||
| 轴和轴承座公差 | ||||||||||||
|
|
||||||||||||
| 主要数据尺寸 | 基本负荷额定值 | 疲劳负荷限值 | 最小负荷系数 | 额定速度 | 体积 | 型号 | ||||||
| 动态 | 静态 | 参照速度 | 限制速度 | 轴承 +垫圈 | 轴承 | 基座垫圈 | ||||||
| d | D | H1 | C | C0 | Pu | A | ||||||
|
|
||||||||||||
| mm | kN | kN | - | r/min | kg | - | ||||||
|
|
||||||||||||
| 15 | 32 | 15 | 16,5 | 27 | 1 | 0,0038 | 7000 | 10000 | 0,063 | 53202 | U 202 | |
同类型型号
随机推荐型号