简介: SKF轴承54416M 类型为推力球轴承, 双向,带球面轴承座垫圈, 轴承内圈,外圈更多详细资料您可致电我司,获取SKF 54416M轴承 配合安装尺寸,安装尺寸,重量,额定动负荷,载荷,54416M极限转速,游隙, 轴承的图纸、样品、价格或者替换产品等!咨询电话:0512-62658883
推力球轴承, 双向,带球面轴承座垫圈54416M轴承 样本图纸
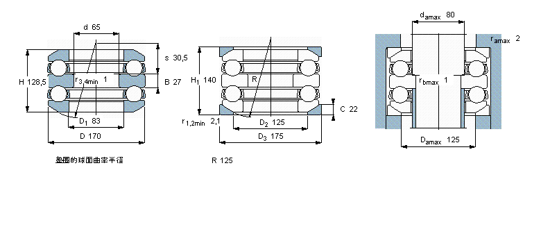
| 推力球轴承, 双向,带球面轴承座垫圈 | ||||||||||||
| 公差 , 参见文字 | ||||||||||||
| 推荐配合 | ||||||||||||
| 轴和轴承座公差 | ||||||||||||
|
|
||||||||||||
| 主要数据尺寸 | 基本负荷额定值 | 疲劳负荷限值 | 最小负荷系数 | 额定速度 | 体积 | 型号 | ||||||
| 动态 | 静态 | 参照速度 | 限制速度 | 轴承 +垫圈 | 轴承 | 基座垫圈 | ||||||
| d | D | H1 | C | C0 | Pu | A | ||||||
|
|
||||||||||||
| mm | kN | kN | - | r/min | kg | - | ||||||
|
|
||||||||||||
| 65 | 170 | 140 | 270 | 670 | 22,4 | 2,3 | 1200 | 1700 | 1,40 | 54416 M | U416 | |
同类型型号
随机推荐型号