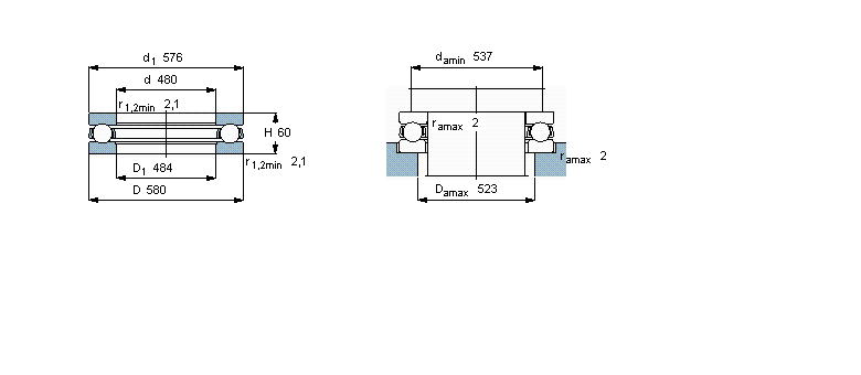
简介: SKF轴承59196F 类型为推力球轴承, 单向, 内径为:480mm外径为:580mm厚度为:60mm 轴承内圈,外圈更多详细资料您可致电我司,获取SKF 59196F轴承 配合安装尺寸,基本尺寸,滚子粒数,59196F价格,外形尺寸,锥度, 轴承的图纸、样品、价格或者替换产品等!咨询电话:0512-62658883
推力球轴承, 单向59196F轴承 样本图纸
| 推力球轴承, 单向 | |||||||||||
| 公差 , 参见文字 | |||||||||||
| 推荐配合 | |||||||||||
| 轴和轴承座公差 | |||||||||||
|
|
|||||||||||
| 主要数据尺寸 | 基本负荷额定值 | 疲劳负荷限值 | 最小负荷系数 | 额定速度 | 体积 | 型号 | |||||
| 动态 | 静态 | 参照速度 | 限制速度 | ||||||||
| d | D | H | C | C0 | Pu | A | |||||
|
|
|||||||||||
| mm | kN | kN | - | r/min | kg | - | |||||
|
|
|||||||||||
| 480 | 580 | 60 | 242 | 1460 | 25,5 | 11 | 670 | 950 | 30,5 | 59196 F | |
同类型型号
随机推荐型号