简介: SKF轴承BCSB320806 类型为圆柱滚子轴承, 剖分式单列, 内径为:1120mm外径为:1360mm厚度为:210mm 轴承内圈,外圈更多详细资料您可致电我司,获取SKF BCSB320806轴承 配合安装尺寸,安装尺寸,重量,额定动负荷,载荷,BCSB320806极限转速,游隙, 轴承的图纸、样品、价格或者替换产品等!咨询电话:0512-62658883
圆柱滚子轴承, 剖分式单列BCSB320806轴承 样本图纸
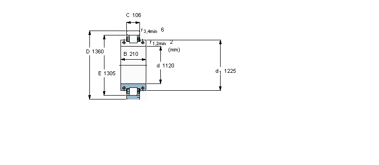
| 圆柱滚子轴承, 剖分式单列 | |||||||||||
| 公差, 参见文字 | |||||||||||
| 径向内部间隙, 参见文字 | |||||||||||
|
|
|||||||||||
| 主要数据尺寸 | 基本负荷额定值 | 疲劳负荷限值 | 径向内部游隙 | 体积 | 型号 | ||||||
| 动态 | 静态 | ||||||||||
| d | D | B | C | C | C0 | Pu | 最小 | 最大 | |||
|
|
|||||||||||
| mm | kN | kN | mm | kg | - | ||||||
|
|
|||||||||||
| 1120 | 1360 | 210 | 106 | 3140 | 7650 | 455 | 0,35 | 0,65 | 470 | BCSB 320806 | |
同类型型号
随机推荐型号