简介: SKF轴承BFSB353312/HA1 类型为圆锥滚子推力轴承, 单向, 内径为:1770mm外径为:1930mm厚度为:1930mm 轴承内圈,外圈更多详细资料您可致电我司,获取SKF BFSB353312/HA1轴承 配合安装尺寸,基本尺寸,滚子粒数,BFSB353312/HA1价格,外形尺寸,锥度, 轴承的图纸、样品、价格或者替换产品等!咨询电话:0512-62658883
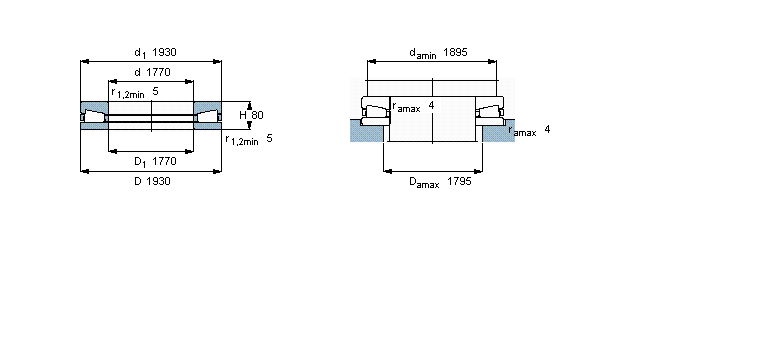
圆锥滚子推力轴承, 单向BFSB353312/HA1轴承 样本图纸
| 圆锥滚子推力轴承, 单向 | ||||||||||
| 公差 , 参见文字 | ||||||||||
| 推荐配合 | ||||||||||
| 轴和轴承座公差 | ||||||||||
|
|
||||||||||
| 主要数据尺寸 | 基本负荷额定值 | 疲劳负荷限值 | 最小负荷系数 | 体积 | 型号 | |||||
| 动态 | 静态 | |||||||||
| d | D | d1 | H | C | C0 | Pu | A | |||
|
|
||||||||||
| mm | kN | kN | - | kg | - | |||||
|
|
||||||||||
| 1770 | 1930 | 1930 | 80 | 3300 | 32000 | 1400 | 82 | 250 | BFSB 353312/HA1 | |
同类型型号
随机推荐型号