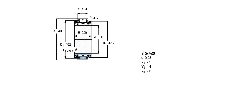
简介: SKF轴承BS2B247307 类型为球面滚子轴承, 剖分式, 内径为:360mm外径为:540mm厚度为:220mm 轴承内圈,外圈更多详细资料您可致电我司,获取SKF BS2B247307轴承 游隙尺寸,游隙尺寸表,滚子粒数,BS2B247307报价,价格,外形尺寸,锥度, 轴承的图纸、样品、价格或者替换产品等!咨询电话:0512-62658883
球面滚子轴承, 剖分式BS2B247307轴承 样本图纸
| 球面滚子轴承, 剖分式 | |||||||||
| 公差 , 参见文字 | |||||||||
| 径向内部游隙 , 参见文字 | |||||||||
| 推荐配合, 参见文字 | |||||||||
| 轴和轴承座公差 | |||||||||
|
|
|||||||||
| 主要数据尺寸 | 基本负荷额定值 | 疲劳负荷限值 | 体积 | 型号 | |||||
| 动态 | 静态 | ||||||||
| d | D | B | C | C | C0 | Pu | |||
|
|
|||||||||
| mm | kN | kN | kg | - | |||||
|
|
|||||||||
| 360 | 540 | 220 | 134 | 2250 | 4500 | 325 | 155 | BS2B 247307 | |
同类型型号
随机推荐型号