简介: SKF轴承BSD2562CG 类型为角接触推力球轴承 for screw drives, single direction, 内径为:25mm外径为:62mm厚度为:15mm 轴承内圈,外圈更多详细资料您可致电我司,获取SKF BSD2562CG轴承 配合安装尺寸,安装尺寸,重量,额定动负荷,载荷,BSD2562CG极限转速,游隙, 轴承的图纸、样品、价格或者替换产品等!咨询电话:0512-62658883
角接触推力球轴承 for screw drives, single directionBSD2562CG轴承 样本图纸
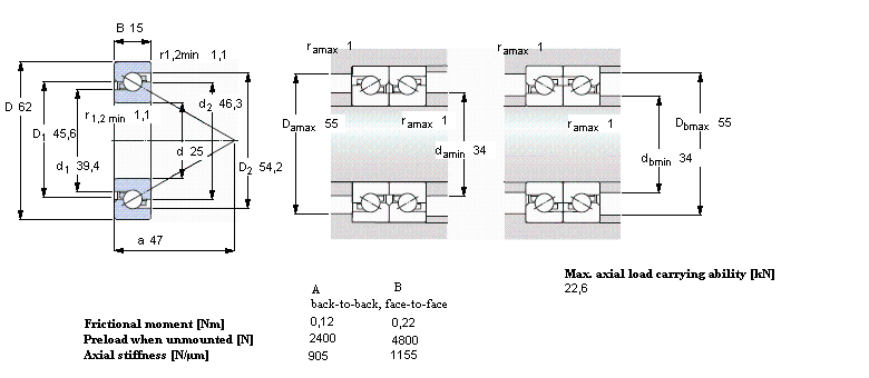
| 角接触推力球轴承 for screw drives, single direction | |||||||||||
| 公差, inner rings, outer rings, see also text | |||||||||||
| Preload, see specific bearing, see also text | |||||||||||
| Shaft fits, housing fits | |||||||||||
| 轴和轴承座公差 | |||||||||||
|
|
|||||||||||
| 主要数据尺寸 | 基本负荷额定值 | 疲劳负荷限值 | 可达到的速度 | 体积 | 型号 | ||||||
| 动态 | 静态 | 当润滑与 | SKF | SNFA | |||||||
| 油脂 | 滴油润滑 | ||||||||||
| d | D | H | C | C0 | Pu | ||||||
|
|
|||||||||||
| mm | kN | kN | r/min | kg | - | ||||||
|
|
|||||||||||
| 25 | 62 | 15 | 28,5 | 71 | 2,65 | 8000 | 9500 | 0,24 | BSD 2562 CG | BS 25/62 7P62U | |
同类型型号
随机推荐型号