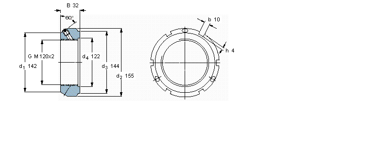
简介: SKF轴承KMT24 类型为带锁紧销的KMT精密锁紧定螺母, 内径为:120mm外径为:144mm厚度为:32mm 轴承内圈,外圈更多详细资料您可致电我司,获取SKF KMT24轴承 代号,KMT24基本尺寸,安装尺寸,基本额定载荷,精度等级,装配, 轴承的图纸、样品、价格或者替换产品等!咨询电话:0512-62658883
带锁紧销的KMT精密锁紧定螺母KMT24轴承 样本图纸
| 带锁紧销的KMT精密锁紧定螺母 | ||||||||||
|
|
||||||||||
| 螺纹尺寸 | 尺寸 | 轴向负荷 | 体积 | 型号 | 平头螺钉 | |||||
| 承载能力 | 锁定螺母 | 适宜的板手 | 尺寸 | 推荐的紧固扭矩 | ||||||
| d3 | B | G | 静态 | |||||||
|
|
||||||||||
| - | mm | - | kN | kg | - | - | - | Nm | ||
|
|
||||||||||
| 120 | 144 | 32 | M 120x2 | 860 | 1,60 | KMT 24 | TMFN 23-30 | M 10 | 35 | |
同类型型号
随机推荐型号