MB6A轴承

更新日期:2025/12/16

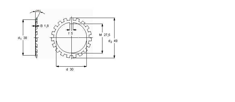
简介: SKF轴承MB6A 类型为MB(L)锁定垫圈, 内径为:30mm外径为:49mm厚度为:1.8mm 轴承内圈,外圈更多详细资料您可致电我司,获取SKF MB6A轴承 代号,MB6A基本尺寸,安装尺寸,基本额定载荷,精度等级,装配, 轴承的图纸、样品、价格或者替换产品等!咨询电话:0512-62658883

MB(L)锁定垫圈MB6A轴承 样本图纸

SKF MB(L)锁定垫圈MB6A样本图片
             
  MB(L)锁定垫圈
  尺寸 体积 型号  
          锁紧垫圈 适宜的锁定螺母
  d d2 B
  mm kg -
 30491,80,011MB 6 AKM 6

同类型型号

随机推荐型号

Copyright © 2022.恩梯必传动设备(苏州)有限公司