简介: SKF轴承N317ECP 类型为圆柱滚子轴承, 单列, N 设计, 内径为:85mm外径为:180mm厚度为:41mm 轴承内圈,外圈更多详细资料您可致电我司,获取SKF N317ECP轴承 代号,N317ECP基本尺寸,安装尺寸,基本额定载荷,精度等级,装配, 轴承的图纸、样品、价格或者替换产品等!咨询电话:0512-62658883
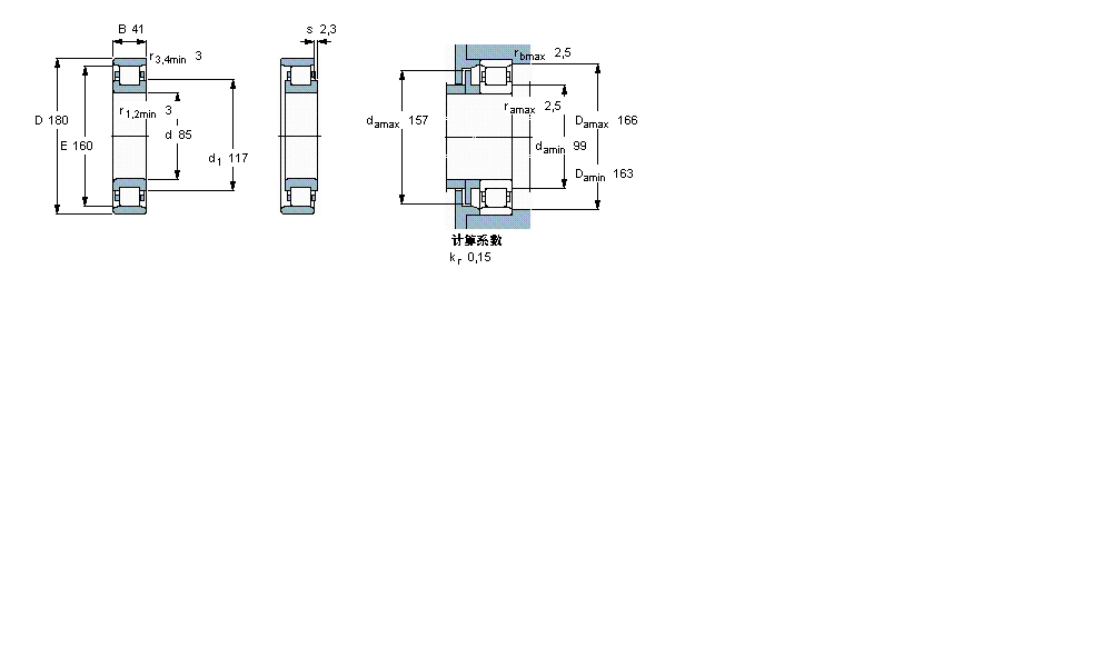
圆柱滚子轴承, 单列, N 设计N317ECP轴承 样本图纸
| 圆柱滚子轴承, 单列, N 设计 | ||||||||||||
| 公差 , 参见文字 | ||||||||||||
| 径向内部间隙, 圆柱型内孔 , 圆锥型内孔, 无密封件 , 参见文字 | ||||||||||||
| 推荐配合 | ||||||||||||
| 轴和轴承座公差 | ||||||||||||
|
|
||||||||||||
| 主要数据尺寸 | 基本负荷额定值 | 疲劳负荷限值 | 额定速度 | 体积 | 型号 | 适宜的斜挡圈 | ||||||
| 动态 | 静态 | 参照速度 | 限制速度 | 型号 | ||||||||
| d | D | B | C | C0 | Pu | * - SKF Explorer 轴承 | ||||||
|
|
||||||||||||
| mm | kN | kN | r/min | kg | - | - | ||||||
|
|
||||||||||||
| 85 | 180 | 41 | 340 | 335 | 41,5 | 4000 | 4800 | 4,70 | N 317 ECP * | - | ||
同类型型号
随机推荐型号