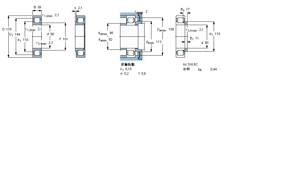
简介: SKF轴承NJ316ECM 类型为圆柱滚子轴承, 单列, NJ 设计, 内径为:80mm外径为:170mm厚度为:39mm 轴承内圈,外圈更多详细资料您可致电我司,获取SKF NJ316ECM轴承 配合安装尺寸,安装尺寸,重量,额定动负荷,载荷,NJ316ECM极限转速,游隙, 轴承的图纸、样品、价格或者替换产品等!咨询电话:0512-62658883
圆柱滚子轴承, 单列, NJ 设计NJ316ECM轴承 样本图纸
| 圆柱滚子轴承, 单列, NJ 设计 | ||||||||||||
| 公差 , 参见文字 | ||||||||||||
| 径向内部间隙, 圆柱型内孔 , 圆锥型内孔, 无密封件 , 参见文字 | ||||||||||||
| 推荐配合 | ||||||||||||
| 轴和轴承座公差 | ||||||||||||
|
|
||||||||||||
| 主要数据尺寸 | 基本负荷额定值 | 疲劳负荷限值 | 额定速度 | 体积 | 型号 | 适宜的斜挡圈 | ||||||
| 动态 | 静态 | 参照速度 | 限制速度 | 型号 | ||||||||
| d | D | B | C | C0 | Pu | * - SKF Explorer 轴承 | ||||||
|
|
||||||||||||
| mm | kN | kN | r/min | kg | - | - | ||||||
|
|
||||||||||||
| 80 | 170 | 39 | 300 | 290 | 36 | 4300 | 5000 | 4,70 | NJ 316 ECM * | HJ 316 EC | ||
同类型型号
随机推荐型号