简介: SKF轴承NKIB5902 类型为组合式滚针轴承, 滚针/角接触球轴承, 轴向负荷 双向, 内径为:15mm外径为:28mm厚度为:20mm 轴承内圈,外圈更多详细资料您可致电我司,获取SKF NKIB5902轴承 代号,NKIB5902基本尺寸,安装尺寸,基本额定载荷,精度等级,装配, 轴承的图纸、样品、价格或者替换产品等!咨询电话:0512-62658883
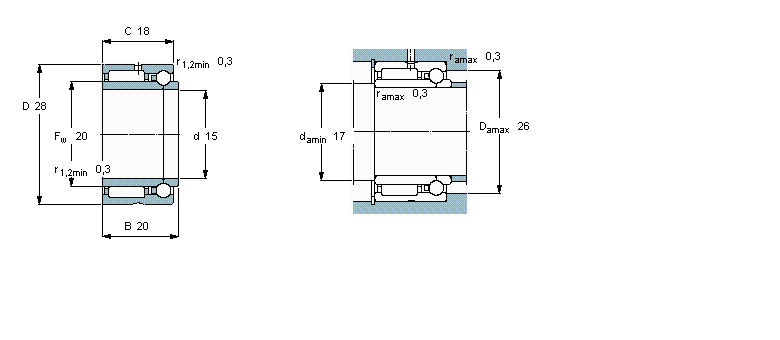
组合式滚针轴承, 滚针/角接触球轴承, 轴向负荷 双向NKIB5902轴承 样本图纸
| 组合式滚针轴承, 滚针/角接触球轴承, 轴向负荷 双向 | |||||||||||||
| 公差 , 参见文字 | |||||||||||||
| 径向内部游隙 , 参见文字 | |||||||||||||
| 推荐配合 | |||||||||||||
| 轴和轴承座公差 | |||||||||||||
|
|
|||||||||||||
| 主要数据尺寸 | 基本负荷额定值 | 疲劳负荷限值 | 额定速度 | 体积 | 型号 | ||||||||
| 径向 | 轴向 | 参照速度 | 限制速度 | ||||||||||
| 动态 | 静态 | 动态 | 静态 | 径向 | 轴向 | ||||||||
| d | D | B | C | C0 | C | C0 | Pu | Pu | |||||
|
|
|||||||||||||
| mm | kN | kN | r/min | kg | - | ||||||||
|
|
|||||||||||||
| 15 | 28 | 20 | 11,4 | 15,6 | 2,27 | 2,37 | 1,83 | 0,099 | 19000 | 22000 | 0,052 | NKIB 5902 | |
同类型型号
随机推荐型号