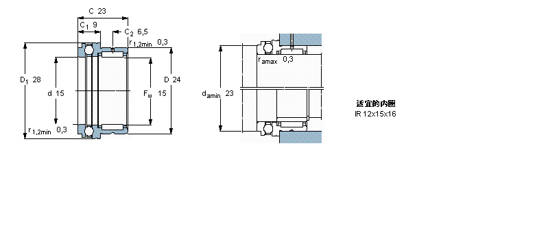
简介: SKF轴承NKX15 类型为组合式滚针轴承, 滚针/推力球轴承, 内径为:15mm外径为:24mm厚度为:23mm 轴承内圈,外圈更多详细资料您可致电我司,获取SKF NKX15轴承 配合安装尺寸,基本尺寸,滚子粒数,NKX15价格,外形尺寸,锥度, 轴承的图纸、样品、价格或者替换产品等!咨询电话:0512-62658883
组合式滚针轴承, 滚针/推力球轴承NKX15轴承 样本图纸
| 组合式滚针轴承, 滚针/推力球轴承 | ||||||||||||||
| 公差 , 参见文字 | ||||||||||||||
| 径向内部游隙 , 参见文字 | ||||||||||||||
| 推荐配合 | ||||||||||||||
| 轴和轴承座公差 | ||||||||||||||
|
|
||||||||||||||
| 主要数据尺寸 | 基本负荷额定值 | 疲劳负荷限值 | 最小负荷系数 | 额定速度 | 体积 | 型号 | ||||||||
| 径向 | 轴向 | 参照速度 | 限制速度 | |||||||||||
| 动态 | 静态 | 动态 | 静态 | 径向 | 轴向 | |||||||||
| Fw | D | C | C | C0 | C | C0 | Pu | Pu | A | |||||
|
|
||||||||||||||
| mm | kN | kN | - | r/min | kg | - | ||||||||
|
|
||||||||||||||
| 15 | 24 | 23 | 11,2 | 14 | 10,6 | 18,3 | 1,66 | 0,67 | 0,0017 | 8500 | 12000 | 0,044 | NKX 15 | |
同类型型号
随机推荐型号