NNC4876CV轴承

更新日期:2025/12/18

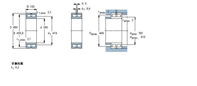
简介: SKF轴承NNC4876CV 类型为圆柱滚子轴承, 双列满装滚子, 无密封件, 双方向轴向负荷的挡边, 内径为:380mm外径为:480mm厚度为:100mm 轴承内圈,外圈更多详细资料您可致电我司,获取SKF NNC4876CV轴承 游隙尺寸,游隙尺寸表,滚子粒数,NNC4876CV报价,价格,外形尺寸,锥度, 轴承的图纸、样品、价格或者替换产品等!咨询电话:0512-62658883

圆柱滚子轴承, 双列满装滚子, 无密封件, 双方向轴向负荷的挡边NNC4876CV轴承 样本图纸

SKF 圆柱滚子轴承, 双列满装滚子, 无密封件, 双方向轴向负荷的挡边NNC4876CV样本图片
                     
  圆柱滚子轴承, 双列满装滚子, 无密封件, 双方向轴向负荷的挡边
                    公差 , 参见文字
                    径向内部游隙 , 参见文字
                    推荐配合
                    轴和轴承座公差
  主要数据尺寸 基本负荷额定值 疲劳负荷限值 额定速度 体积 型号
    动态 静态   参照速度 限制速度
  d D B C C0 Pu
  mm kN kN r/min kg -
 3804801001400365031553067045,5NNC 4876 CV

同类型型号

随机推荐型号

Copyright © 2022.恩梯必传动设备(苏州)有限公司