NNCL4938CV轴承

更新日期:2026/3/19

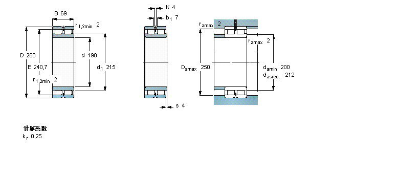
简介: SKF轴承NNCL4938CV 类型为圆柱滚子轴承, 双列满装滚子, 无密封件, 没有载荷支承能力, 内径为:190mm外径为:260mm厚度为:69mm 轴承内圈,外圈更多详细资料您可致电我司,获取SKF NNCL4938CV轴承 配合安装尺寸,安装尺寸,重量,额定动负荷,载荷,NNCL4938CV极限转速,游隙, 轴承的图纸、样品、价格或者替换产品等!咨询电话:0512-62658883

圆柱滚子轴承, 双列满装滚子, 无密封件, 没有载荷支承能力NNCL4938CV轴承 样本图纸

SKF 圆柱滚子轴承, 双列满装滚子, 无密封件, 没有载荷支承能力NNCL4938CV样本图片
                     
  圆柱滚子轴承, 双列满装滚子, 无密封件, 没有载荷支承能力
                    公差 , 参见文字
                    径向内部游隙 , 参见文字
                    推荐配合
                    轴和轴承座公差
  主要数据尺寸 基本负荷额定值 疲劳负荷限值 额定速度 体积 型号
    动态 静态   参照速度 限制速度
  d D B C C0 Pu
  mm kN kN r/min kg -
 1902606960512901321100140010,9NNCL 4938 CV

同类型型号

随机推荐型号

Copyright © 2022.恩梯必传动设备(苏州)有限公司