简介: SKF轴承OH3188H 类型为紧定套, 轴承内圈,外圈更多详细资料您可致电我司,获取SKF OH3188H轴承 代号,OH3188H基本尺寸,安装尺寸,基本额定载荷,精度等级,装配, 轴承的图纸、样品、价格或者替换产品等!咨询电话:0512-62658883
紧定套OH3188H轴承 样本图纸
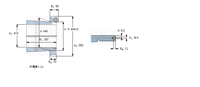
| 紧定套 | ||||||||||
|
|
||||||||||
| 尺寸 | 体积 | 型号 | ||||||||
| 紧定轴套带螺母 | 锁定螺母 | 锁定装置 | 适宜的液压 | |||||||
| d1 | d | d3 | B1 | G | 和锁紧装置 | 螺母 | ||||
|
|
||||||||||
| mm | kg | - | ||||||||
|
|
||||||||||
| 410 | 440 | 560 | 307 | Tr 440x5 | 95,0 | OH 3188 H | HM 3188 | MS 3192-88 | HMV 88 E | |
同类型型号
随机推荐型号