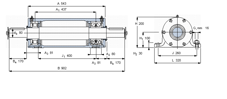
简介: SKF轴承PDPF2218 类型为双轴承单元, PDPF单元, 内径为:80mm外径为:902mm厚度为:200mm 轴承内圈,外圈更多详细资料您可致电我司,获取SKF PDPF2218轴承 游隙尺寸,游隙尺寸表,滚子粒数,PDPF2218报价,价格,外形尺寸,锥度, 轴承的图纸、样品、价格或者替换产品等!咨询电话:0512-62658883
双轴承单元, PDPF单元PDPF2218轴承 样本图纸
| 双轴承单元, PDPF单元 | ||||||||||
| 
             | 
        
||||||||||
| 尺寸 | 整体轴承 | 质量 | 型号 | |||||||
| 轴承座与 | Key405 | 轴承单元 | ||||||||
| db | B | H | H1 | L | ||||||
| 
             | 
        
||||||||||
| mm | - | kg | - | |||||||
| 
             | 
        
||||||||||
| 80 | 902 | 200 | 100 | 320 | NU 2218 ECP | 7218 BECBP | 7218 BECBP | 100 | PDPF 2218 | |
同类型型号
随机推荐型号