简介: SKF轴承PDRJ316 类型为双轴承单元, PDRJ单元, 内径为:70mm外径为:852mm厚度为:220mm 轴承内圈,外圈更多详细资料您可致电我司,获取SKF PDRJ316轴承 代号,PDRJ316基本尺寸,安装尺寸,基本额定载荷,精度等级,装配, 轴承的图纸、样品、价格或者替换产品等!咨询电话:0512-62658883
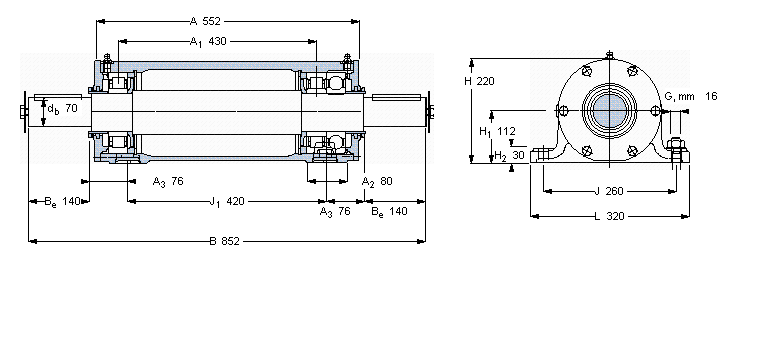
双轴承单元, PDRJ单元PDRJ316轴承 样本图纸
| 双轴承单元, PDRJ单元 | ||||||||||
|
|
||||||||||
| 尺寸 | 整体轴承 | 质量 | 型号 | |||||||
| 轴承座与 | Key405 | 轴承单元 | ||||||||
| db | B | H | H1 | L | ||||||
|
|
||||||||||
| mm | - | kg | - | |||||||
|
|
||||||||||
| 70 | 852 | 220 | 112 | 320 | NU 316 ECP | 6316/C3 | NU 316 ECP | 98,3 | PDRJ 316 | |
同类型型号
随机推荐型号