简介: SKF轴承QJ1288N2MA 类型为角接触球轴承, 四点接触球轴承, 内径为:440mm外径为:790mm厚度为:155mm 轴承内圈,外圈更多详细资料您可致电我司,获取SKF QJ1288N2MA轴承 游隙尺寸,游隙尺寸表,滚子粒数,QJ1288N2MA报价,价格,外形尺寸,锥度, 轴承的图纸、样品、价格或者替换产品等!咨询电话:0512-62658883
角接触球轴承, 四点接触球轴承QJ1288N2MA轴承 样本图纸
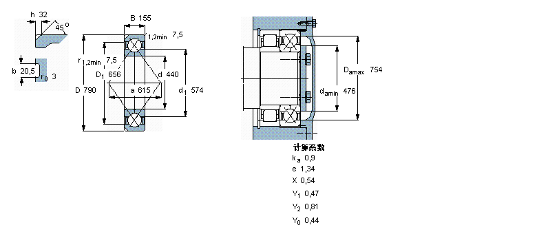
| 角接触球轴承, 四点接触球轴承 | ||||||||||
| 公差 , 参见文字 | ||||||||||
| 轴向内部间隙, 参见文字 | ||||||||||
| 推荐配合 | ||||||||||
| 轴和轴承座公差 | ||||||||||
|
|
||||||||||
| 主要数据尺寸 | 基本负荷额定值 | 疲劳负荷限值 | 额定速度 | 体积 | 型号 | |||||
| 动态 | 静态 | 参照速度 | 限制速度 | |||||||
| d | D | B | C | C0 | Pu | |||||
|
|
||||||||||
| mm | kN | kN | r/min | kg | - | |||||
|
|
||||||||||
| 440 | 790 | 155 | 1400 | 3750 | 64 | 750 | 1200 | 350 | QJ 1288 N2MA | |
同类型型号
随机推荐型号